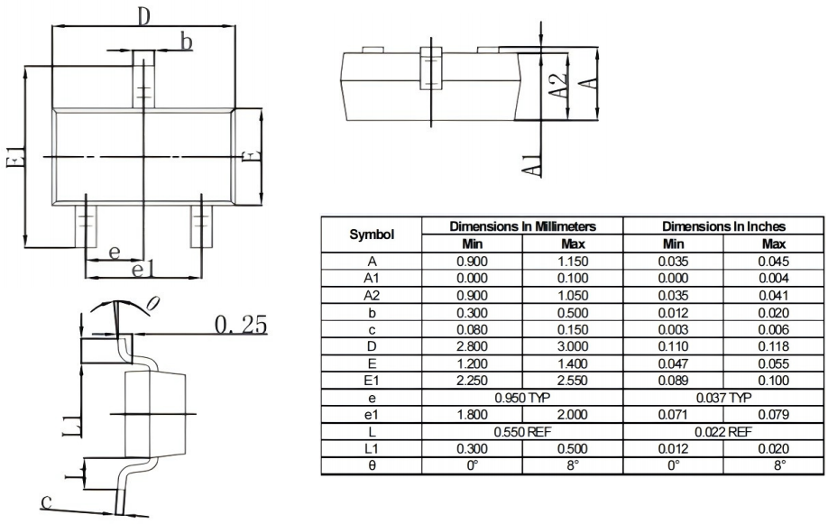
产品详情
| Family | P/N | Configuration | VRWM (V) | VBR (V) | Cj (pF) | IPP@8/20us (A) | Vc@Max IPP | PPP (W) | Package |
| 5V | JE05U2RT10-3 | 2-Line Uni-Directional | 5.0 | 6.00 | 0.80 | 5.0 | 20.00 | 100 | SOT-23 |
| JE05U2GT10-3 | 2-Line Uni-Directional | 5.0 | 6.00 | 160.00 | 22.0 | 14.00 | 300 | SOT-23 | |
| JE05B2LT10-3 | 2-Line Bi-Directional | 5.0 | 6.00 | 80.00 | 20.0 | 15.00 | 300 | SOT-23 | |
| 12V | JSM12C | 2-Line Bi-Directional | 12.0 | 13.50 | 45.00 | 14.0 | 27.00 | 350 | SOT-23 |
| 15V | ASM15C | 2-Line Bi-Directional | 15.0 | 17.20 | 40.00 | 17.0 | 43.00 | 700 | SOT-23 |
| 24V | JE24U2UT10-3 | 2-Line Uni-Directional | 24.0 | 27.00 | 25.00 | 5.0 | 60.00 | 300 | SOT-23 |
| JE24U2LT10-3 | 2-Line Uni-Directional | 24.0 | 27.00 | 50.00 | 5.0 | 60.00 | 300 | SOT-23 | |
| JE24B2RT10-3 | 2-Line Bi-Directional | 24.0 | 26.70 | 1.50 | 7.0 | 43.00 | 300 | SOT-23 | |
| JE24B2UT10-3 | 2-Line Bi-Directional | 24.0 | 27.00 | 15.00 | 5.0 | 60.00 | 300 | SOT-23 | |
| 36V | JE36B2UT10-3 | 2-Line Bi-Directional | 36.0 | 38.00 | 12.00 | 4.0 | 75.00 | 300 | SOT-23 |
| JE36U2LT10-3 | 2-Line Uni-Directional | 36.0 | 38.00 | 40.00 | 4.0 | 75.00 | 300 | SOT-23 |
